精士博:倍速鏈流水線介紹
一、簡介
倍速鏈流水線:英文名 double plus conveyor chain ,用于裝配加工生產過程中的物料承載和輸送,其結構為倍速鏈條的增速原理,使工裝板快速運行,通過阻擋器控制物料的停止,工人對該工位進行生產加工,與倍速鏈配套的頂升平移機能完成物料的垂直運行。鏈條以低度運行,而工裝板可獲得倍速于鏈條的移動速度,保證較高的輸送效率,使鏈條工作平穩、噪音小、磨損小、壽命長。



二、組成部分
1、倍速鏈由主動端和從動端組成
主動端由軸承座、倍速鏈輪、電機、機架、倍速鋁型材組成。
從動端由從動鏈輪、張緊座、機架、倍速鋁型材組成。
2、倍速鏈條的種類
倍速鏈條分為三倍速、2.5倍速和單倍速三種;滾輪材質為工程塑料、尼龍、碳鋼、不銹鋼;鏈板:不銹鋼、碳鋼。
特殊用途:全碳鋼、全不銹鋼、防靜電材質;常用:輕載,工程塑料輪;重載,碳鋼輪。
3、傳動方式
傳動方式:空心軸電機驅動方式、臥式電機驅動方式

4、鋁型材
選用和倍速鏈條配套的倍速鏈鋁型材。
5、工裝板
工裝板是自動化生產線不可或缺的工裝,工程上也泛稱為治具,工裝板是根據被輸送物的尺寸形狀專門定制設計的。
工裝板材質:PVC、碳鋼、不銹鋼、電木、尼龍等等,可以根據設計需求選材,但一定要保證工裝板的承載強度,一般選用PVC材質。


工裝板結構:分為導輪(可不裝)、工裝板主體、夾具組成,其中夾具需要根據產品的不同要求進行設計。
如果工裝板上承載的是電氣類的產品,需要插電,工裝板上還需要安裝導電輪、集電器、碳刷等,滿足工裝板導電的需求,工裝板配合滑觸線的供電使工裝板上的插座帶電,用來檢測產品。
工裝板寬度比鋁型材之間的間隙為5mm左右,以保證工裝板運行平滑。
6、阻擋器
阻擋器是起到控制工裝板放行的作用,其形式分為立式阻擋器和臥式阻擋器,根據生產物料的重量進行選型,分為不同載荷。


7、頂升平移
頂升平移可將垂直于本線體的工裝板流入本線體,也可將本線體的工裝板流出,結構有鏈條式、皮帶式等,由電機驅動氣缸將設備頂起。氣缸選型的時候考慮氣缸的輸出力大小,根據工裝板+物料的自重來選型。

8、回板機
倍速鏈有雙層倍速鏈和單層倍速鏈。單層倍速鏈一般為環形,首尾相連;雙層倍速鏈上層用來生產,下層跑空板,而回板機實現了上下層之間的輪轉。一般回板機由動力部分和頂升部分組成,動力部分有:驅動鏈條或皮帶、電機、機架;頂升部分有:頂升氣缸、直線導軌滑塊、機架、配重(根據負載大小決定)頂升鏈輪、鏈條、護罩等等。

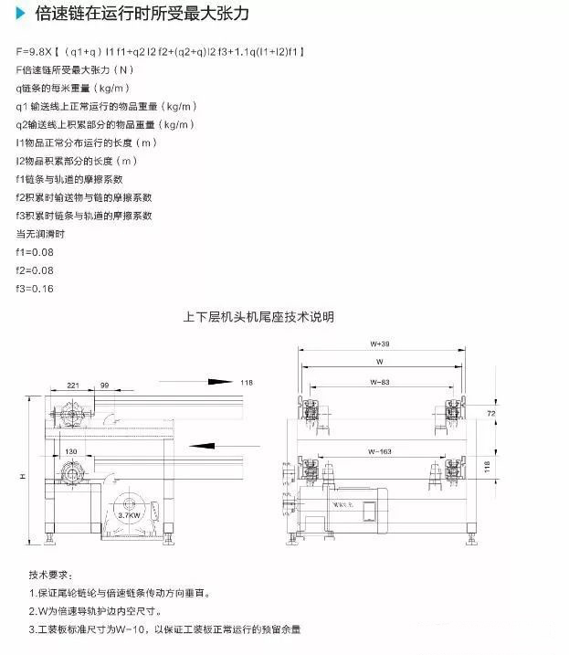
三、倍速鏈選型的計算


更多倍速鏈知識及倍速鏈定制問題詳情請咨詢精士博熱線:18682486313 江生 13326855468 羅生